Do domu
>
produkty
>
Pierścień ślizgowy przez otwór
>
Niezawodna antena AWG14 # Przez pierścień ślizgowy z otworami Wysoka niezawodność i długa żywotność
Pierścień ślizgowy nazywany jest również obrotowym, obrotowym złączem, komutatorem lub kolektorem. Jest to jeden z elementów poprawiających wydajność systemu poprzez prostą obsługę i swobodną konserwację. Zwykle stosowany w każdym systemie elektromechanicznym, który wymaga swobodnego, ciągłego obrotu podczas przesyłania mocy lub sygnału .
Pierścień ślizgowy z wałem drążonym to jedna z nazw pierścieni ślizgowych. Otwór przelotowy w środku zapewnia miejsce do prowadzenia hydraulicznego, pneumatycznego lub głównego wału. Pierścień przelotowy z pierścieniem ślizgowym wyposażony jest w technologię szczotek światłowodowych z wieloma punktami nacisku na wiązkę włókien i niskie współczynniki ścierania styku. Poza tym szczotka kontaktowa i pierścienie nie są wymagane jako środek smarny w celu zmniejszenia zanieczyszczeń.
Główna aplikacja
Cecha
Specyfikacja
| ECN050-18P3 Specyfikacja | Obrazek | |
| obecny | 18 * 15A | ![]() |
| Przez rozmiar otworu | Ø50mm | |
| Stopień ochrony | IP54 | |
| Prędkość robocza | 0 ~ 300 rpm | |
| Materiał kontaktowy | Metal szlachetny | |
| Napięcie znamionowe | 380VAC | |
| Rozmiar drutu ołowianego | 300 mm | |
| Materiał obudowy | Stop aluminium | |
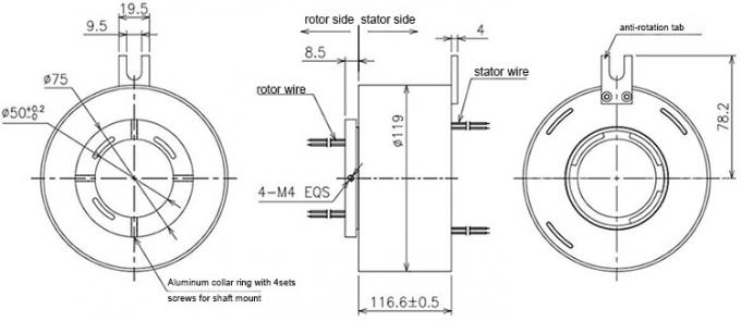
Rysunek konspektu

Pokazy aplikacji
Dlaczego CENO
CENO jest jedną firmą technologiczną w dziedzinie pierścieni ślizgowych, która angażuje się w badania i rozwój, produkcję i sprzedaż. Posiadamy zaawansowany sprzęt i precyzyjne przyrządy testowe, aby zapewnić jakość produktów i niezawodną wydajność. Powierzchnia użytkowa obejmuje 3000 metrów kwadratowych i znajduje się w Shenzhen w Chinach.

Orzecznictwo
ISO9001, CE, RoHS, UL, przeciwwybuchowe
Przewaga CENO
Członek zespołu inżynierów ma ponad 10-letnie doświadczenie w dziedzinie pierścieni ślizgowych. Operatorzy pracują nad procedurą krytyczną, a wszystkie kwalifikują się dzięki szkoleniom wewnętrznym.
Usługa CENO zapewnia
24/7 serwis konsultacyjny.
Masa i produkcja na zamówienie.
Rozwiązanie zapewniające obrót o 360 °.
Zapraszamy do skonsultowania się z nami w sprawie żądań dowolnego systemu obrotu 360 °. Zapewniamy usługę „jeden przystanek”, aby na czas odpowiedzieć na Twoje pytania.
Skontaktuj się z nami w każdej chwili